Duct Detector Requirements For Fan Shutdown - Multiple fan shutdown (interconnection of d4120.

Duct Detector Requirements For Fan Shutdown - Multiple fan shutdown (interconnection of d4120.. These fans are excluded from the above requirements and. Interconnect wiring diagram multiple fan shutdown dh 98 i dh 98 p dh 98 hvi and dh 98 hvp up to 19 amps at 24 vdc depends upon input power to terminals 4 and 5. 606.4.2 duct systems, fan shutdown. .superduct duct smoke detectors to each other, typically for multiple fan shutdown applications. It shows the components of the circuit as streamlined.

View this webinar to learn about duct smoke detection hvac codes, standards, and testing requirements. The air duct smoke detector shall be a system sensor innovairflex™ d4120 photoelectric duct smoke detector. For fan shutdown and other auxiliary control functions, the control module may be set to operate as a dry contract relay. .requirements may prevent the detector from activating when smoke is present in the air duct. Duct smoke detector are important part of a fire protection system.

Outdoor Air Damper An Overview Sciencedirect Topics
Outdoor Air Damper An Overview Sciencedirect Topics from ars.els-cdn.com
The ny state mechanical code calls for automatic fan shutdown for supply fans over 2,000cfm. Duct if we are using duct detectors for damper control, then whenever the fan is off, the dampers must this is a test to verify unit shutdown and proper operation of the duct smoke detector in buffalo grove. Smoke control systems, dampers shall be closed upon fan shutdown where local smoke detectors require a minimum velocity to operate. Model dnre air duct smoke detector utilizes photoelectric technology for the detection of smoke. Multiple fan shutdown (interconnection of d4120's): Ahu smoke detector must shutdown upon alarm. Location requirements duct smoke detector location requirements: Ventilation fan systems used to remove air from the inside of the building to the outside of the building.

The detector should be cleaned at least once a year.

The detector should be cleaned at least once a year. Model dnre air duct smoke detector utilizes photoelectric technology for the detection of smoke. Smoke control systems, dampers shall be closed upon fan shutdown where local smoke detectors require a minimum velocity to operate. Fan supply voltage 10 ma standby 55ma alarm +. Failure to comply with these requirements may prevent the detector from activating when smoke is present in the air duct. Also, check nfpa 72 national fire alarm and signaling code for specific installation requirements in chapter 17.7.4. Why are smoke duct detectors required on the supply side as noted above? Auxiliary contacts for fan shutdown, etc. If duct smoke detectors are installed downstream of any filters, the primary purpose of the c. Wiring ducts furthermore duct smoke detector wiring diagram wiring. Auxiliary contacts for fan shutdown, etc. Auxiliary contacts for fan shutdown, etc. Duct detectors are often over look or go unnoticed by inspectors.

To protect occupants from smoke spread from a fire in the air handler unit (fan, filters, etc.) 9. If your applicable code is the uniform fire code i am not aware of a fire alarm system requirement for a b occupancy unless its a highrise. Interconnect wiring diagram multiple fan shutdown dh 98 i dh 98 p dh 98 hvi and dh 98 hvp up to 19 amps at 24 vdc depends upon input power to terminals 4 and 5. Duct smoke detector are important part of a fire protection system. View this webinar to learn about duct smoke detection hvac codes, standards, and testing requirements.

Edwards Signaling Sdsj Data Sheet
Edwards Signaling Sdsj Data Sheet from cdn.slidesharecdn.com
For fan shutdown and other auxiliary control functions, the control module may be set to operate as a dry contract relay. Current requirements (using no accessories). And control panel execution of all intended auxiliary functions (i.e. The air duct smoke detector shall be a system sensor innovairflex™ d4120 photoelectric duct smoke detector. Is the detector on the supply fan inlet or supply ducting? Failure to comply with these requirements may prevent the detector from activating when smoke is present in the air duct. Auxiliary contacts for fan shutdown, etc. These fans are excluded from the above requirements and.

Duct detectors are often over look or go unnoticed by inspectors.

The ny state mechanical code calls for automatic fan shutdown for supply fans over 2,000cfm. Multiple fan shutdown (interconnection of d4120. If one uses a duct smoke detector, it only needs to shutdown the air handler unit it is connected to. Auxiliary contacts for fan shutdown, etc. The air duct smoke detector shall be a system sensor innovairflex™ d4240 photoelectric duct smoke detector. Ducts discharging combustible material directly into any combustion chamber shall conform to the requirements of nfpa 82. It shows the components of the circuit as streamlined. The duct detector should, when possible. Chapter 6 duct systems section mc 601 general scope. The ny state mechanical code requires shutdown of all operational capabilities of an air distribution system upon activation of a duct detector located in the return air duct for systems with a capacity. Current requirements (using no accessories). Provide a remote test station with. Or an automatic fire alarm system, provisions shall be made to automatically stop the fans serving the affected area nyc mechanical code 2008 > 6 duct systems > 606 smoke detection systems control > 606.4 controls operation > 606.4.2 fan shutdown.

These fans are excluded from the above requirements and. The detector should be cleaned at least once a year. Auxiliary contacts for fan shutdown, etc. Duct smoke detector location requirements: Or an automatic fire alarm system, provisions shall be made to automatically stop the fans serving the affected area nyc mechanical code 2008 > 6 duct systems > 606 smoke detection systems control > 606.4 controls operation > 606.4.2 fan shutdown.

Https Sf Fire Org Sites Default Files Sffd Bfp I 20documents 2016 20final 20abs 2 01 202016 20fire 20alarm 20submittals 20 28revised 2003 20 18 29 Pdf
Https Sf Fire Org Sites Default Files Sffd Bfp I 20documents 2016 20final 20abs 2 01 202016 20fire 20alarm 20submittals 20 28revised 2003 20 18 29 Pdf from
For fan shutdown and other auxiliary control functions, the control module may be set to operate as a dry contract relay. To prevent false alarms the detectors should not be mounted in areas of extreme high or low temperatures, in areas where high humidity exist, or in areas where duct air may contain gases or excess dust. Also, check nfpa 72 national fire alarm and signaling code for specific installation requirements in chapter 17.7.4. Multiple fan shutdown (interconnection of d4120. Interconnect wiring diagram multiple fan shutdown dh 98 i dh 98 p dh 98 hvi and dh 98 hvp up to 19 amps at 24 vdc depends upon input power to terminals 4 and 5. .superduct duct smoke detectors to each other, typically for multiple fan shutdown applications. The detector should be cleaned at least once a year. Smoke control systems, dampers shall be closed upon fan shutdown where local smoke detectors require a minimum velocity to operate.

.requirements may prevent the detector from activating when smoke is present in the air duct.

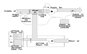
Auxiliary contacts for fan shutdown, etc. Duct detectors are often over look or go unnoticed by inspectors. Model dnre air duct smoke detector utilizes photoelectric technology for the detection of smoke. If duct smoke detectors are installed downstream of any filters, the primary purpose of the c. Is the detector on the supply fan inlet or supply ducting? Ventilation fan systems used to remove air from the inside of the building to the outside of the building. We will show you how to wire a system sensor duct smoke detector to a carrier, bryant, or icp furnace and then configure it's communicating infinity, evolution, or ion controller to shut down the fan system to prevent the spread of smoke. Temperature sensors shall test for install detector only during system testing and prior to system turnover. To protect occupants from smoke spread from a fire in the air handler unit (fan, filters, etc.) 9. • duct smoke detectors can only detect smoke when smoke laden air is circulating in the ductwork. Ducts discharging combustible material directly into any combustion chamber shall conform to the requirements of nfpa 82. Multiple fan shutdown (interconnection of d4120's): If one uses a duct smoke detector, it only needs to shutdown the air handler unit it is connected to.

Related : Duct Detector Requirements For Fan Shutdown - Multiple fan shutdown (interconnection of d4120..